Issue 31
infinite energy

 

 

infinite energy


New Energy Research Laboratory Device and Process Testing Update
Published in IE Volume 6, Issue #31 May, 2000. By Ed Wall.

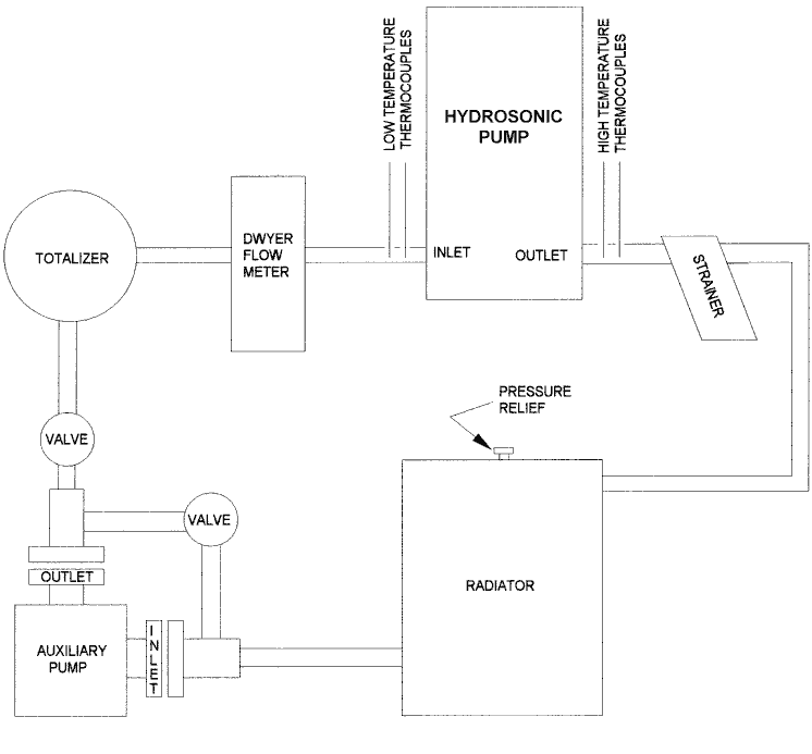
Hydrosonic Pump Diagram
diagram



Copyright © 2014-2015. All rights reserved. E-mail: staff@infinite-energy.com